Φ6mm BLDC
产品描述:
采用优选原料,纯铜电芯、生产工艺先进,制造精细化、电磁干扰小、高效率、噪音小、体积小,高转速,性能稳定、动力强劲
应用范围:
[机器人] [医疗设备] [汽车电子]
产品描述:
采用优选原料,纯铜电芯、生产工艺先进,制造精细化、电磁干扰小、高效率、噪音小、体积小,高转速,性能稳定、动力强劲
应用范围:
[机器人] [医疗设备] [汽车电子]
产品概述

技术参数

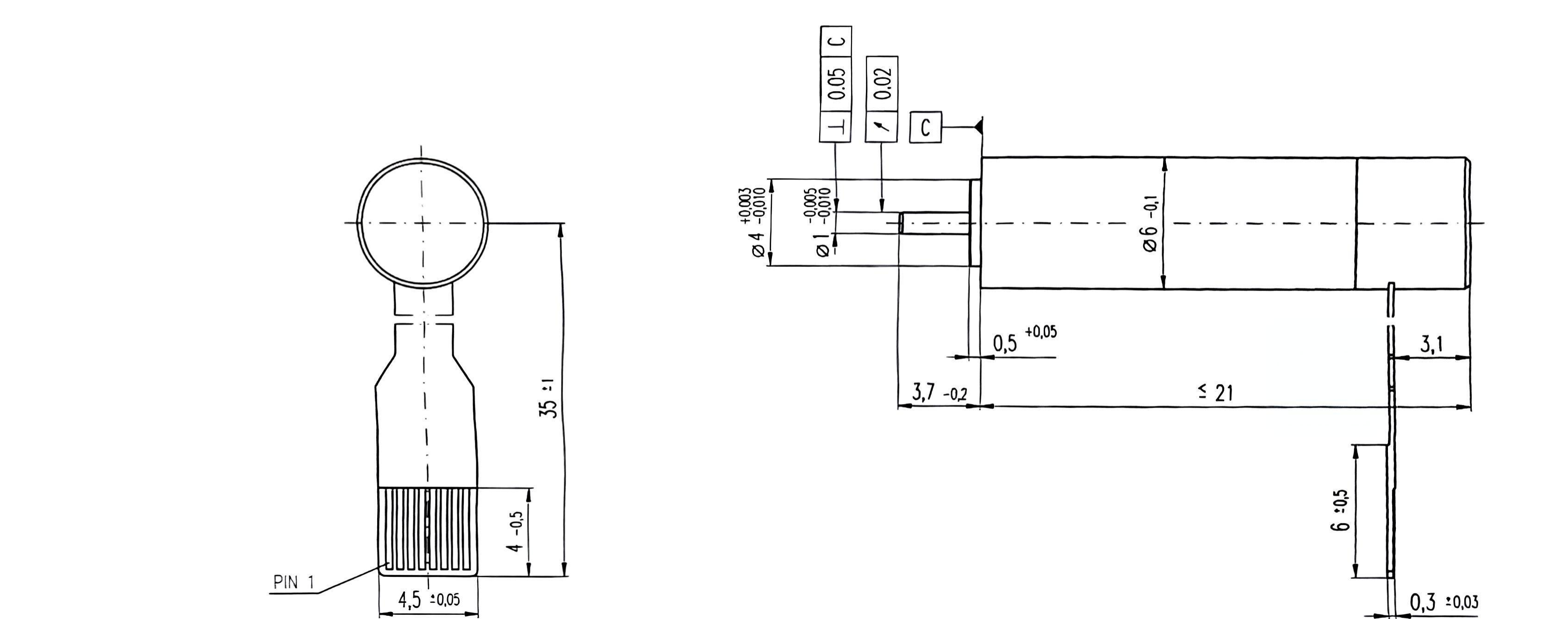
安装尺寸
配套产品
资料下载
在线询价
提交信息
请提交您的基本信息,我们将会尽快与您联系!